
Высоковольтные двигатели YB3 и YBX3 во взрывозащищённом исполнении Ex d I Mb. 6–10 кВ, до 3150 кВт. Решение для шахтных вентиляторов, насосов и конвейеров. Консультация и поставка.
Высоковольтные двигатели серий YB3 и YBX3 предназначены для работы в подземных угольных шахтах и на объектах, где возможно образование взрывоопасных газовых смесей (метан, угольная пыль).
Это трёхфазные асинхронные электродвигатели во взрывонепроницаемом исполнении, рассчитанные на тяжёлые условия эксплуатации и длительную непрерывную работу.
Мощность: от 185 до 3150 кВт
Номинальное напряжение: 6 кВ или 10 кВ
Частота: 50 Гц
Степень защиты: IP55
Класс изоляции: F
Охлаждение: IC411 (самовентиляция)
Температура окружающей среды: от –20°C до +40°C
Высота оси вращения: H355–H800
Монтажное исполнение: IM B3 и другие по согласованию
Маркировка взрывозащиты: Ex d I Mb
Соответствие стандартам: GB3836.1-2010 и GB3836.2-2010.
Корпус выполнен во взрывонепроницаемом исполнении «d», что исключает передачу внутреннего взрыва во внешнюю среду.
Конструкция статора и ротора усилена с учётом тяжёлых пусков и переменных нагрузок. Двигатели устойчивы к запылённости и влажности, характерным для шахтного оборудования.
Серия YBX3 отличается более высоким КПД, что позволяет снизить энергопотребление при длительной эксплуатации.
Количество полюсов: 2–16
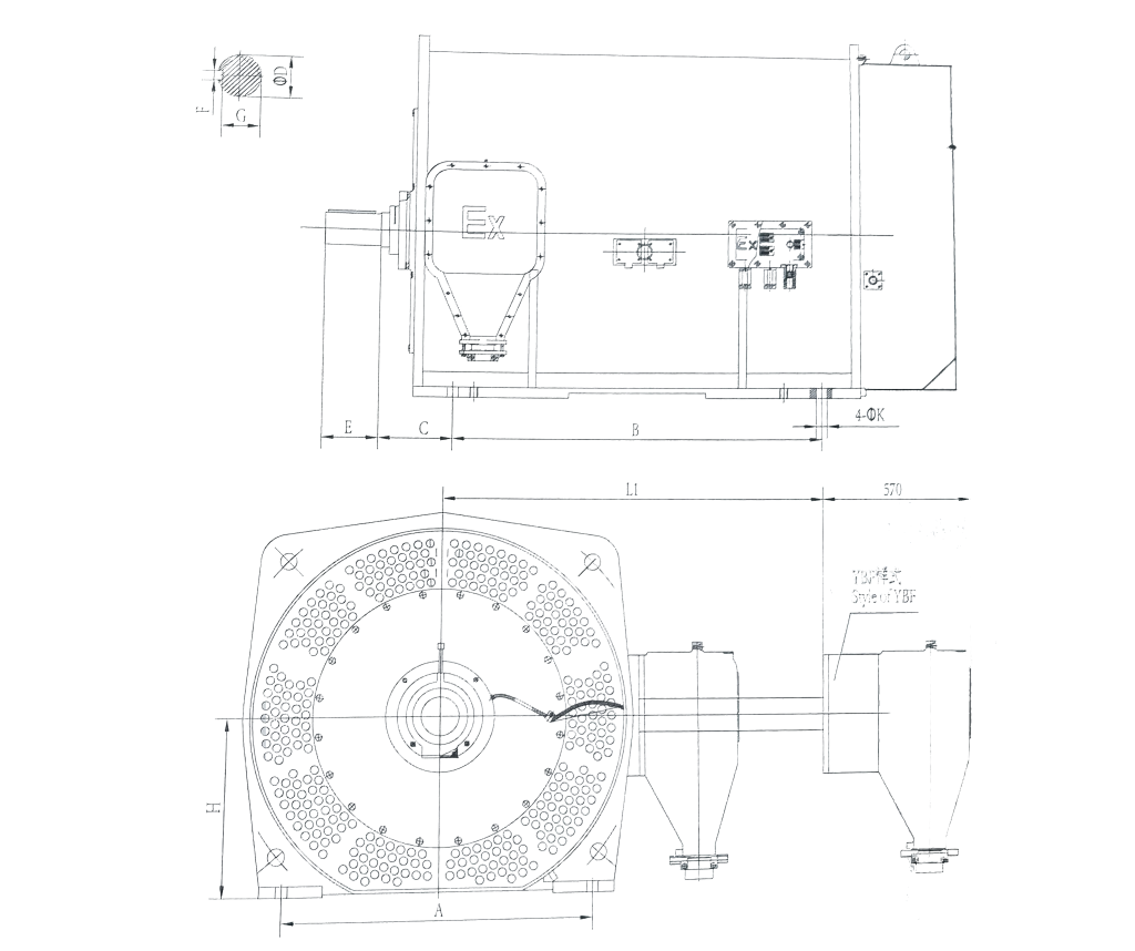
Размер A: 950 мм
Размер B: 1120 мм
Диаметр вала (для 2-полюсного исполнения): 85 мм
Подробные чертежи и присоединительные размеры предоставляются по запросу.

Электродвигатель YBX3 взрывозащищенный трехфазный для промышленного и шахтного оборудования
Двигатели используются для привода:
ленточных и скребковых конвейеров
шахтных подъёмных машин
главных и вспомогательных вентиляторов
насосных установок
дробильного оборудования
Подходят для предприятий угольной и горнодобывающей промышленности.
Предоставляется техническая консультация, подбор параметров под проект, поставка запасных частей и гарантийное обслуживание.